产品搜索
Crystal
Oscillator
FPC Connetor
Tpye-c
138 2317 7019
首页
关于我们
公司简介
企业文化
产品展示
Crystal
Oscillator
KFC TACT SWITCH
Tpye-c
PHONE JACK
FPC Connetor
代理产品
新闻资讯
公司新闻
行业动态
服务支持
人才招聘
联系我们
联系我们
在线留言
Crystal
Oscillator
FPC
KFC TACT SWITCH
Tpye-c
PHONE JACK
FPC Connetor
>
<
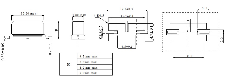
HC-49SS-3 Crystal
【产品参数规格】:
【系列】:AT Crystal
外观尺寸
相关产品
HC-49U/49T
HC-49S
HC-49SSMD
HC-49SS-3 Crystal
关于我们
公司简介
企业文化
产品展示
Crystal
Oscillator
FPC Connetor
Tpye-c
KFC TACT SWITCH
PHONE JACK
新闻资讯
公司新闻
行业动态
联系我们
13823177019
联系人:盛总
E-mail:
yanan3281@163.com
www.hnwdzkj.com
地 址:深圳宝安区西乡宝源路168号名优工业产品展示中心B座1区728
在线客服
3570148103
扫一扫,体验功能